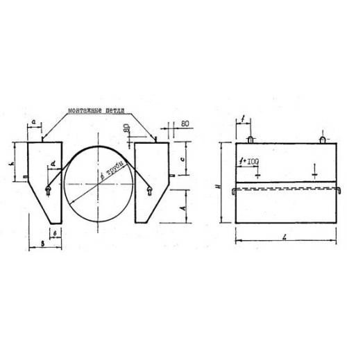
УБОм 1220 утяжелители охватывающего типа

Чертеж изделия:
Характеристики изделия:
ПараметрЗначение
длина1350 мм
ширина600 мм
высота1400 мм
масса4253 кг
нормативный документСН 39-1.9-003-98

УБОм 1220 Утяжелители бетонные охватывающего типа ВСН 39-1.9-003-98.