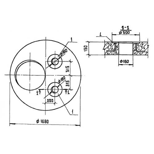
КЦП 1-15

Чертеж изделия:
Характеристики изделия:
ПараметрЗначение
длина1680 мм
ширина1680 мм
высота150 мм
вес680 кг
серияТП 902-2-356

КЦП 1-15 Плиты перекрытия илового колодца по проекту ТП 902-2-356.