СР

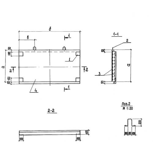
Чертеж изделия:
Характеристики изделия:
ПараметрЗначение
длина1600 мм
ширина600 мм
высота100 мм
вес250 кг
серияТПР 902-09-22.84

СР Стенки-растекатели по проекту ТПР 902-09-22.84.