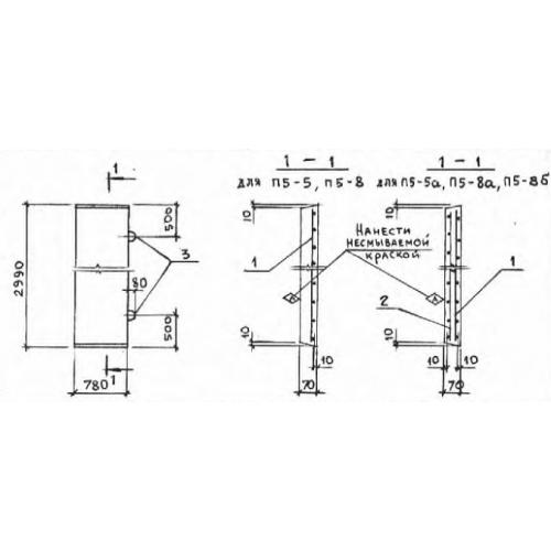
П 5 плита

Чертеж изделия:
Характеристики изделия:
ПараметрЗначение
длина2990 мм
ширина780 мм
высота70 мм
массаСерия 3.900.1-12

П 5  Плиты перекрытия лотков по Серии 3.900.1-12.