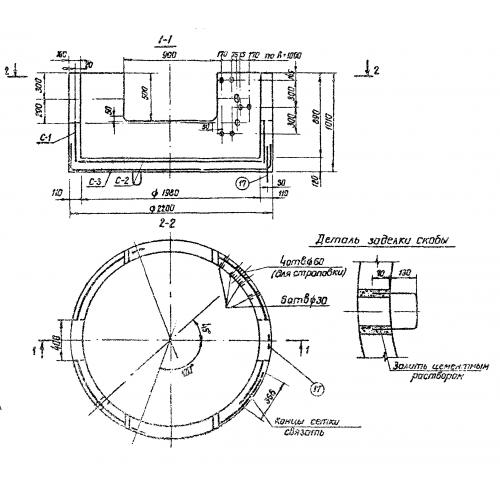
КСД 20-2

Чертеж изделия:
Характеристики изделия:
ПараметрЗначение
длина2200 мм
ширина2200 мм
высота890 мм
вес2500 кг
серия3.820-9

КСД 20-2 Кольца колодцев стеновые с днищем по серии 3.820-9.