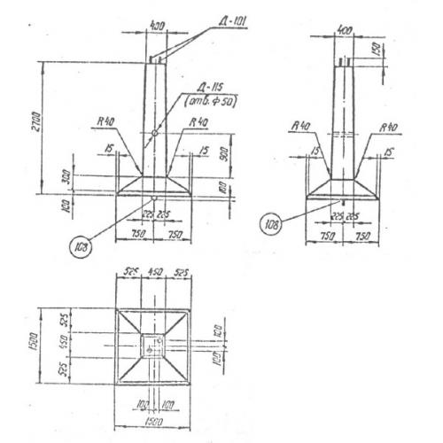
Ф 1.5-1.5 Фундамент составной
Характеристики изделия:
| Параметр | Значение |
|---|---|
| длина | 1500 мм |
| ширина | 1500 мм |
| высота | 2700 кг |
| масса | 1975 кг |
| нормативный документ | Серия 3.407.1-144 |
Цена:
Рассчитать стоимостьФ 1.5-1.5 Фундаменты под стальные опоры по Серии 3.407.1-144.
