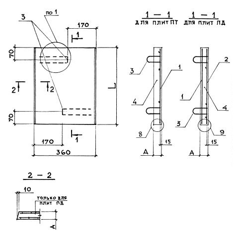
ПТ 36.60.8 плиты лотков
Характеристики изделия:
| Параметр | Значение |
|---|---|
| длина | 360 мм |
| ширина | 580 мм |
| высота | 80 мм |
| масса | 43 кг |
| нормативный документ | Серия 3.006.1-8 |
Цена:
Рассчитать стоимостьПТ 36.60.8 Плиты перекрытий каналов Серия 3.006.1-8.
| Параметр | Значение |
|---|---|
| длина | 360 мм |
| ширина | 580 мм |
| высота | 80 мм |
| масса | 43 кг |
| нормативный документ | Серия 3.006.1-8 |
ПТ 36.60.8 Плиты перекрытий каналов Серия 3.006.1-8.