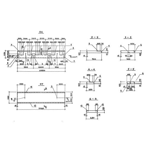
П-4

Чертеж изделия:
Характеристики изделия:
ПараметрЗначение
длина2980 мм
ширина450 мм
высота120 мм
вес400 кг
серия3.006.1-7

П-4 Плиты перекрытия или торца канала по серии 3.006.1-7.