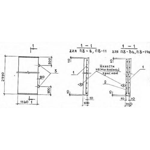
П 8/2 плиты лотков

Чертеж изделия:
Характеристики изделия:
ПараметрЗначение
длина1495 мм
ширина1160 мм
высота100 мм
масса440 кг
нормативный документСерия 3.006.1-2/87

П 8/2 Плиты перекрытия лотков Серия 3.006.1-2/87.