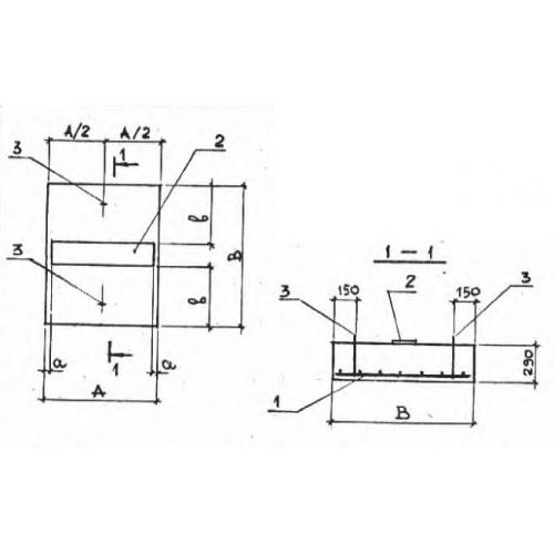
ОП 9

Чертеж изделия:
Характеристики изделия:
ПараметрЗначение
длина1150 мм
ширина1350 мм
высота290 мм
вес1130 кг
серия3.006-2

ОП 9 Опорные подушки по серии 3.006-2.