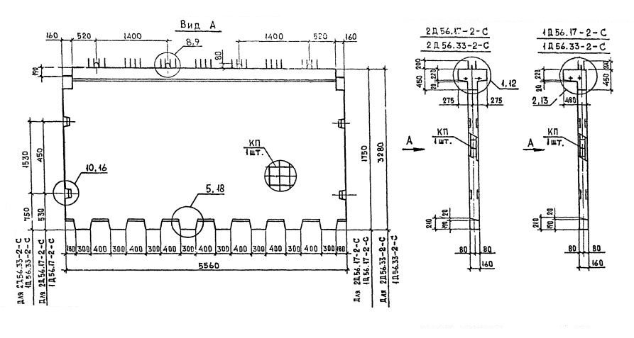
Д 56

Чертеж изделия:
Характеристики изделия:
ПараметрЗначение
длина5560 мм
ширина450 мм
высота1750 мм
масса4400 кг
нормативный документСерия 1.020.1-2с/89

Д 56  Диафрагмы жесткости Серия 1.020.1-2с/89.