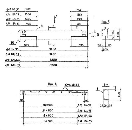
Б 4.33

Чертеж изделия:
Характеристики изделия:
ПараметрЗначение
длина3280 мм
ширина300 мм
высота400 мм
масса900 кг
нормативный документСерия 1.020.1-2с/89

Б 4.33  Балки окаймляющие Серия 1.020.1-2с/89.