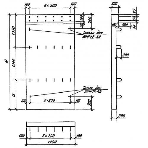
ППФ 12-75

Чертеж изделия:
Характеристики изделия:
ПараметрЗначение
длина1200 мм
ширина300 мм
высота7500 мм
вес4620 кг
серия1.012.1-3.97

ППФ 12-75 Плиты фундаментные плоские по серии 1.012.1-3.97.