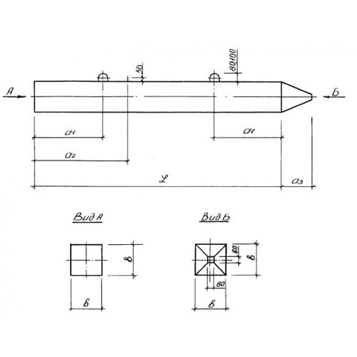
С 160.40 сваи цельные

Чертеж изделия:
Характеристики изделия:
ПараметрЗначение
длина16000 мм
ширина400 мм
высота400 мм
масса6450 кг
нормативный документСерия 1.011.1-10

С 160.40  Сваи общестроительные квадратного сплошного сечения Серия 1.011.1-10.