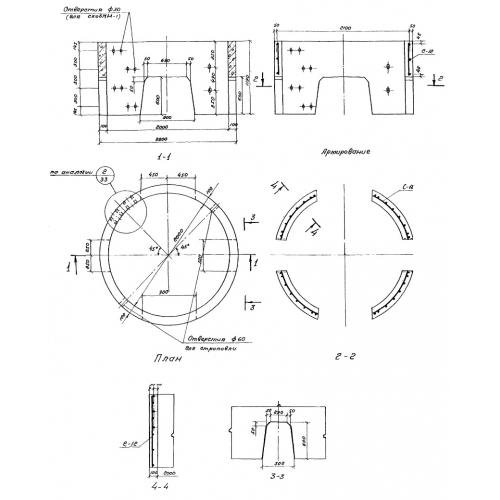
КC 20.12 кольца колодцев стеновые

Чертеж изделия:
Характеристики изделия:
ПараметрЗначение
длина2200 мм
ширина2200 мм
высота1190 мм
масса1550 кг
нормативный документГОСТ 8020-90

КC 20.12  Стеновые кольца рабочей камеры или горловины колодца ГОСТ 8020-90.