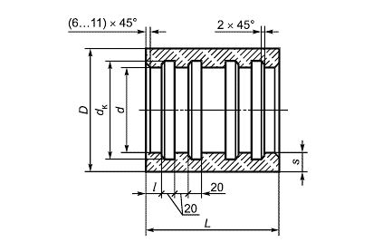
ТМ 10
Характеристики изделия:
| Параметр | Значение |
|---|---|
| длина | 220 мм |
| ширина | 647 мм |
| высота | 647 мм |
| масса | 55,4 кг |
| нормативный документ | ГОСТ 31416-2009 |
Цена:
Рассчитать стоимостьТМ 10 Муфты хризотилцементные для напорных теплопроводов ГОСТ 31416-2009.
| Параметр | Значение |
|---|---|
| длина | 220 мм |
| ширина | 647 мм |
| высота | 647 мм |
| масса | 55,4 кг |
| нормативный документ | ГОСТ 31416-2009 |
ТМ 10 Муфты хризотилцементные для напорных теплопроводов ГОСТ 31416-2009.